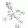
| 001 | 4434004130 | Включатель | 5,5 BAR 151.011 |
| 002 | 2076691664 | Муфта включателя | |
| 003 | 3111105380 | Шайба | 13 ИSN 02 1702.1 MKS 720 |
| 004 | 3111102090 | Гайка | M12 x 1,5 ISO 8675 — 04 MKS 720 |
| 005 | 4436111980 | Муфта | 3565061206 |
| 006 | 4434013330 | Манжета | GZ 368500 363 |
| 007 | 2054470844 | Скоба кабельная | |
| 008 | 3091147130 | Шпилька | M8 x 16 ISO 4017 — 8.8 MKS 720 |
| 009 | 3111108840 | Шайба | 8 ИSN 02 1741.05 MKS 720 |
| 010 | 4436120120 | Клапан тормоза ручного | 961 723 1230 |
| 011 | 4436111810 | Штуцер | T 094 08 1614 |
| 012 | 2072956124 | Кронштейн | |
| 013 | 3111105350 | Шайба | 6,4 ИSN 02 1702.15 MKS 720 |
| 014 | 3111108830 | Шайба | 6 ИSN 02 1741.05 MKS 720 |
| 015 | 3091147070 | Шпилька | M6 x 16 ISO 4017 — 8.8 MKS 720 |
| 016 | 2026031934 | Кронштейн прокладок | |
| 017 | 2053741284 | Штуцер | |
| 018 | 2053650644 | Муфта трубчатая | |
| 019 | 3111102110 | Гайка | M14 x 1,5 ISO 8675 — 04 MKS 720 |
| 020 | 2053622244 | Штуцер | |
| 021 | 4436210520 | Амортизатор | 432 407 060 0 |
| 022 | 2053730214 | Штуцер | |
| 023 | 3119012950 | Кольцо уплотнительное | 6 x 10 ИSN 02 9310.2 |
| 024 | 3111105360 | Шайба | 8,4 ИSN 02 1702.1 MKS 720 |
| 025 | 3091109830 | Шпилька | M8 x 25 ISO 4017 — 5.6 MKS 720 |
| 026 | 4434004150 | Включатель | TRW 151.012 |
| 027 | 4434004140 | Включатель | TRW 151.010 |
| 028 | 2969740214 | Кронштейн |
42A01 Калапн ручной тормозной, кронштейн прокладок











